NVUM 2.1 5-Axis CNC Controller with Handwheel – USB Version
Out of Stock!
متحكم سي ان سي بخمسة محاور يدعم نظام ماخ-3 الشهير للتحكم الالي مع متحكم يدوي.
ملاحظة/ الارتباط يكون عبر وصلة يو اس بي.
Out of Stock!
Description
Description
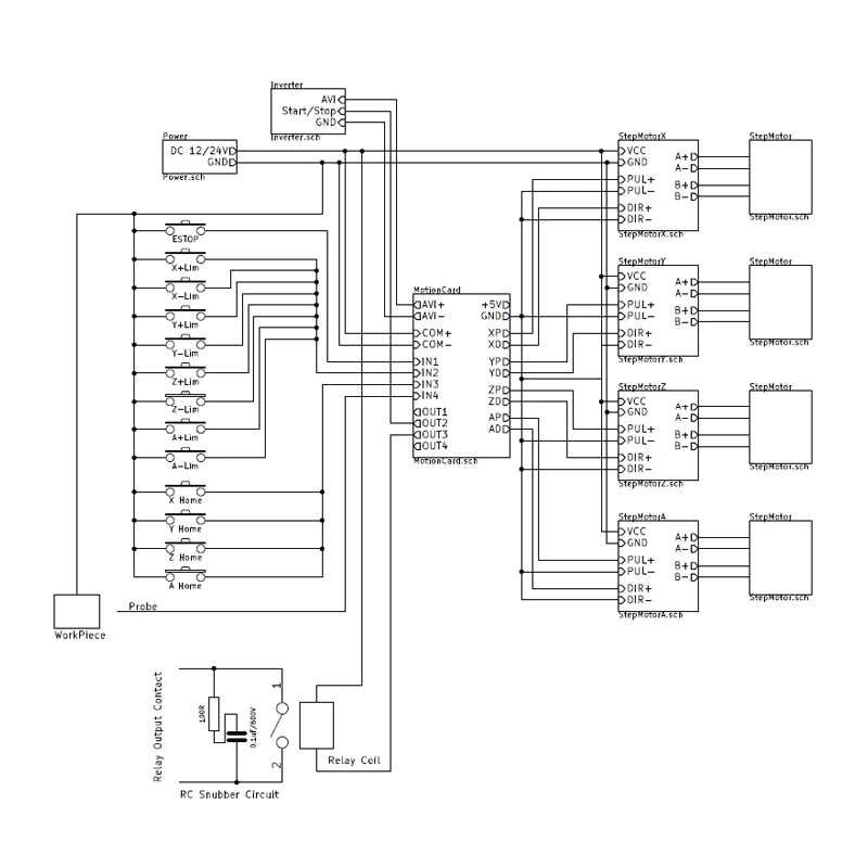
NVEM/NVUMV2.1 is a 3-6 axis motion controller. It supports Mach3 software and standard MPG, and communicates with computers through Ethernet and USB, only by using Twine to connect directly or transmit with routers. The motion controller of NVEM/NVUMV2.1 adopts ARM design framework. ARM design includes communication, collaborative analysis, underlying algorithm and pulse generation. Reasonable design, reliable control and convenient operation.
Features
- 12 ports photoelectric isolated input interface for ordinary digital data.
- 10 ports photoelectric isolated output interface for ordinary digital data.
- 1 port 0-10V spindle speed analog output interface(can change to PWM output).
- can support 3-6 axis stepper systems,200KHz pulse output for every axis.
- ARM motion control chip.
- main device is 12V-32VDC power supply input,current should higher than 0.5A.
- Compatible with MPG input, support the digital display MPG from our company.
Applications
- For processing various patterns such as embossing plate, sole mould, zipper mould, pattern die and stamping die, instrument mold, glass mold etc.
- For the advertising industry such as: our brand, signs, architectural models, badges, nameplate, panels, logo, numbers, signs, craft decoration, furniture decoration etc
- For the portrait, landscape, calligraphy lettering, seals and other graphic art sculpture, calligraphy, Basso relievo, etc.
- With the CNC controller, suitable for all kinds of small and medium-sized automation equipment and instruments.
Only logged in customers who have purchased this product may leave a review.



































Reviews
There are no reviews yet.